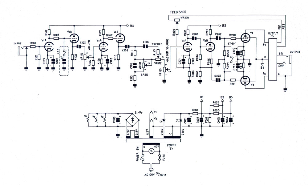
| ‹L† | –¼Ì | •i–¼^’è” |
|---|---|---|
| V1 | ^‹óŠÇ | 12AY7/6072 |
| V2 | ^‹óŠÇ | 12AY7/6072 |
| V3 | ^‹óŠÇ | 12AU7 |
| V4 | ^‹óŠÇ | 6V6 |
| V5 | ^‹óŠÇ | 6V6 |
| POWER Tr | “dŒ¹ƒgƒ‰ƒ“ƒX | ƒmƒOƒ` PMC-100M |
| OUTPUT Tr | o—̓gƒ‰ƒ“ƒX | ZP8K@ƒIƒŠƒWƒiƒ‹ |
| D1 | ƒ_ƒCƒI[ƒh | 1kv 1A |
| D2 | ƒ_ƒCƒI[ƒh | 1kv 1A |
| Si-Br | ƒ_ƒCƒI[ƒhBr | 200V 5A |
| VR100 | ƒ{ƒŠƒ…[ƒ€ | 100kƒ¶ (A) |
| VR101 | ƒ{ƒŠƒ…[ƒ€ | 250kƒ¶ (B) |
| VR102 | ƒ{ƒŠƒ…[ƒ€ | 50kƒ¶ (B) |
| VR103 | ƒ{ƒŠƒ…[ƒ€ | 1Mƒ¶ (A) |
| C000 | “d‰ðƒRƒ“ƒfƒ“ƒT | 22000ƒÊF 25V |
| C001 | “d‰ðƒRƒ“ƒfƒ“ƒT | 100ƒÊF 350V |
| C002 | “d‰ðƒRƒ“ƒfƒ“ƒT | 100ƒÊF 350V |
| C003 | “d‰ðƒRƒ“ƒfƒ“ƒT | 33ƒÊF 350V |
| C004 | “d‰ðƒRƒ“ƒfƒ“ƒT | 33ƒÊF 350V |
| C100 | “d‰ðƒRƒ“ƒfƒ“ƒT | 100ƒÊF 10V |
| Cf | ------ | ------ |
| C102 | ƒtƒBƒ‹ƒ€ƒRƒ“ƒfƒ“ƒT | 0.02ƒÊF 400V ASC |
| C103 | “d‰ðƒRƒ“ƒfƒ“ƒT | 100ƒÊF 10V |
| C104 | ƒtƒBƒ‹ƒ€ƒRƒ“ƒfƒ“ƒT | 0.02ƒÊF 400V ASC |
| C105 | ƒ}ƒCƒ‰[ƒRƒ“ƒfƒ“ƒT | 300pF 400V |
| C106 | ƒIƒCƒ‹ƒRƒ“ƒfƒ“ƒT | 0.02ƒÊF 400V |
| C200 | ƒtƒBƒ‹ƒ€ƒRƒ“ƒfƒ“ƒT | 0.01ƒÊF 400V ASC |
| C201 | “d‰ðƒRƒ“ƒfƒ“ƒT | 100ƒÊF 10V |
| C202 | ƒIƒCƒ‹ƒRƒ“ƒfƒ“ƒT | 0.33ƒÊF 400V |
| C203 | ƒIƒCƒ‹ƒRƒ“ƒfƒ“ƒT | 0.33ƒÊF 400V |
| C204 | “d‰ðƒRƒ“ƒfƒ“ƒT | 100ƒÊF 10V |
| C205 | “d‰ðƒRƒ“ƒfƒ“ƒT | 100ƒÊF 10V |
| ‹L† | –¼Ì | •i–¼^’è” |
|---|---|---|
| R000 | ՕR | 50Ħ 2W |
| R001 | ՕR | 390kĦ 3W |
| R002 | ՕR | 10kĦ 1/2W |
| R003 | ՕR | 10kĦ 1/2W |
| R100 | ՕR | 100kĦ@1/2W |
| R101 | ՕR | 1MĦ@1/2W |
| R102 | ՕR | 510kĦ@1/2W |
| R103 | ՕR | 5.6kĦ@1/2W |
| R104 | ՕR | 5.6kĦ@1/2W |
| R105 | ՕR | 100kĦ@2W |
| R106 | ՕR | 1MĦ@1/2W |
| R107 | ՕR | 220kĦ@1/2W |
| R108 | ՕR | 2.2kĦ@1/2W |
| R109 | ՕR | 5.6kĦ@1/2W |
| R110 | ՕR | 100kĦ@2W |
| R111 | ՕR | 100kĦ@1/2W |
| R112 | ՕR | 6.8kĦ@1/2W |
| R113 | ՕR | 22kĦ@1/2W |
| R200 | ’ïR | 1.73kƒ¶@1W ’:1 |
| R201 | ՕR | 51kĦ@2W |
| R202 | ՕR | 1.5kĦ@1/2W |
| R203 | ՕR | 51kĦ@1/2W |
| R204 | ՕR | 1MĦ@1/2W |
| R205 | ՕR | 33kĦ@2W |
| R206 | ՕR | 1.5kĦ 1/2W |
| R207 | ՕR | 33kĦ@2W |
| R208 | ՕR | 330kĦ 1/2W |
| R209 | ՕR | 330kĦ 1/2W |
| R210 | ՕR | 1kĦ 1/2W |
| R211 | ՕR | 1kĦ 1/2W |
| R212 | ’ïR | 338ƒ¶ 7W ’:2 |
| R213 | ’ïR | 338ƒ¶ 7W ’:2 |
’F‚PA2.2kƒ¶ 1/2W + 8.2kƒ¶ 1/2W i•À—ñj@@@’F‚QA510ƒ¶ 5W + 1kƒ¶ 2W (•À—ñj
Å‘åo—ÍF‚P‚O‚v
( ‚U‚u‚U@‚`‹‰‚o‚o j
[{]@FƒtƒB[ƒhEƒoƒbƒNAƒvƒ‰ƒX
“à•”’ïRF‚U‚Oƒ¶ˆÈãA“d—¬o—Í
[|]@FƒtƒB[ƒhEƒoƒbƒNAƒ}ƒCƒiƒX
“à•”’ïRF‚P‚PD‚Wƒ¶@‚c‚eF‚OD‚U‚W