真空管とMos-FET、ハイブリッド、大出力(100W以上)Bassアンプの制作


回路定数は未だ検討中、間もなく掲載致します。 2013 10/1


真空管とのハイブリッド、Bassアンプの構想


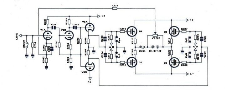
Mos-FET SEPPによるブリッジ( BTL )出力回路


 アンプの出力が100Wを超えると真空管によるフルチューブ方式では俄然制作コストが大きくなります。

 100Wクラスでは、出力管にはKT88によるプッシュプル(2本)は最低限必要です、6L6GCやEL34を用いるならパラレル・プッシュプル(4本)が必要となります、100W以上の出力となると汎用の出力トランスでは不可能で特注品を採用せざるを得ません。

 ギターアンプなら出力100Wなら不足はありませんが、 Bassアンプとなると演奏環境にもよりますがステージの広さ、ドラムの強打を考えますと100W以上のパワーは必要です、 またスピーカーも高能率、高入力のシステムが必要であると思います。



 制作コストが安価で大出力を得るには半導体の起用が最も効率的です、
ただし半導体の音色は真空管に比べ単調で無機的になるのは否めません、
特にオペアンプは音の起状は丸く潰れ、誠に情けない音色はいくら便利だからといっても採用したくない素子であります、 オペアンプの音の悪さにはそれなりの原因 (演算増幅器のためNFB主体であり、そのため内部の強烈な積分補正が要因) あります。

 効率だけを追求するのであれば D級アンプ(デジタル) もありますが、音質を追求するアンプには不適格と心得ます。

 半導体を使い、大出力を実現し、尚且つ真空管と同等とまで行かなくともそれに近い音質を得られる素子に、 Mos-FET が有ります。

 動作は電圧の変化によって増幅が行えます、その点は真空管と似た所もありますが、真空管程純粋ではありません、それは FETの持つ構造から来るもので、ゲートには真空管とは比較にならない程の大きな入力容量が存在いたします。

 真空管と同じ電圧増幅ですが、この入力容量にはそれなりの対応が必要です。




基本動作 コンプリメンタリー/SEPP

 半導体が真空管と異なる点は、動作が同じで極性が反対の特性を持ったモノの存在です、この組み合わせをコンプリメンタリーと言います、 この性質があるため電子回路構成は真空管と比べ物にならない程の自由度があります。

 使用するFETは東芝製のパワーMos-FETで2SK-405/2SJ-115のコンプリメンタリーです、ドレイン・ソース耐圧160V、ドレイン電流8A、最大容量100W、です、このFETはやや旧型に属しますので現在では現行製品の後継機種が発売されております、かってオーディオアンプを制作した際の手持ち部品を活用しただけであります、したがって必ずしもこの機種である必要性はありません。
 接続はソースフォロアーで真空管言うならカソードフォロアーに相当します、したがってゲインはありません、
電圧→電力の変換器です、半導体使用はこの部分のみで電圧増幅は総て真空管で行います。



      [ SEPPの動作 ]



    Pow=出力  RL=負荷抵抗

   E=供給電圧  I=最大電流



 このFETでSEPPの回路だけでも出力段として十分働きます、通常の出力回路であれば大きな問題はありません、しかし大出力アンプでは大きな電力を扱います、SEPPの動作はシングル・エンデット・プッシュプルでプッシュプルでありながらシングル動作であり電源と直列の関係にあります、したがって電源のグレードは音に直接関係してまいります、出力が大きい程グレードの高い電源を必要とします、これを回避するにはSEPPの回路を2組み用意し正相、逆相、として動作させブリッジとします、これにより電源のグレードは表に出て来ません、大出力の回路であっても簡易的な電源規模で済みます。

このブリッジ(BTL)接続での注意点は負荷抵抗であるスピーカー( RL )はフローティング状態であり、片側はアース出来ない事です、


大型放熱板に取り付けしたMos-FET、 全体のケースは19インチラックマウント3U型とし、大型のキャリングハンドルを装備です。



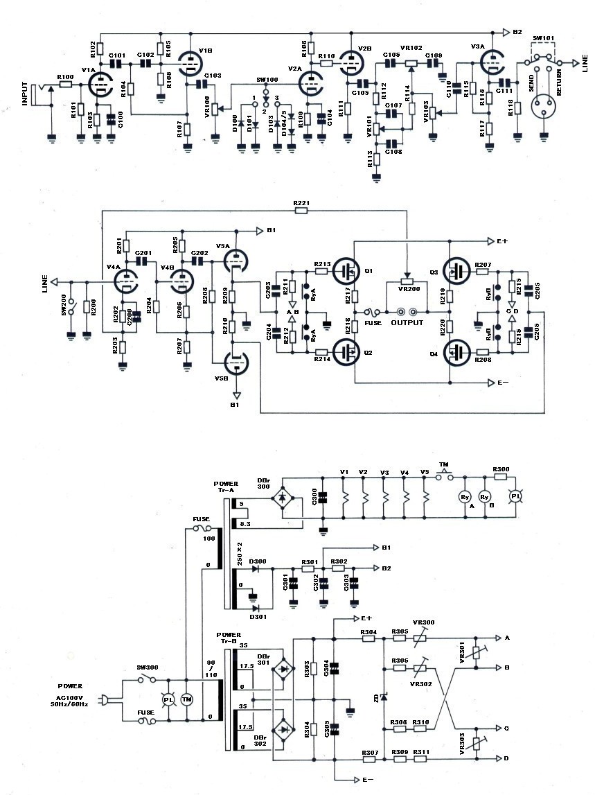
電源部の設定


 まず、最大出力の設定を行います、負荷抵抗は8Ωに出力100Wとします、ブリッジ接続ですから4Ω50WのSEPP×2です。

 計算式から電源電圧=40V、電流=2.5Aとなります、SEPPは2回路ですから電流=5A必要です、実際には0〜最大出力には
電源の内部抵抗が存在しますので少々電圧降下がありますので、0信号時には幾分高い目の電圧を用意しておかねばなりません。

 電源トランスはオーディオ用の高価な物は必要ありません、産業用の汎用品で十分です。


 電源トランスはAC35V(17.5Vセンタータップ)、整流しますと無負荷で49V、最大出力時は40Vを確保できるでしょう、
電流はAC10Aは欲しい所で、AC6Aではやや不足気味です、しかし今までの経験から多分問題無いと思います、なぜなら
最大出力時はピークの極短時間だからです、もし容量不足であればAC100Vを90V端子に接続しトランス自体の磁束密度を
無理矢理上げれば大丈夫でしょう、このアンプで最も重量が重いのが電源トランスです、大出力アンプでありながら、
極力小型軽量に心掛けます。

     [ PM-3510 ¥12,316 8.6kg ]、[ PM-353W ¥9,390 4.2kg ]、 (ノグチトランス)    2013 9/9



真空管による電圧増幅部

 本機はBassアンプでありますが、oct/-18dBのサブソニック・フィルター(HPF)をゲインボリュームの前段に装備しておきます、
理由は不意に過大入力があった場合、スピーカーを保護するためです、例えば不用意にBassを倒したりした場合に有効です、
大出力アンプでは不意の過大出力には十分な保護を考慮しておきましょう。

 ゲインボリュームの出力側にはディストーン発生用の回路を設けておきます、ディストーンの深さの調整はゲインボリュームで行い、
音量調整はマスターボリュームで行います。

 トーンコントロールは低域、高域、共にブースト、カット、が行えるAE型を採用します、ギターアンプならブーストオンリーの
はしご型が通例ですが、Bassアンプはこの方が使い易いです。

 マスターボリュームの後ろにはカソードフォロアーのバッファーを設けておきます、キャノンコネクターは SEND/RETERN です、
使用しない場合はスナップスイッチにてバイパスします。



真空管ドライブによるMos-FET パワーアンプ部

 Mos-FETは入力容量が大きいため低いインピーダンスでドライブしなくてはなりません、ドライブ用真空管は12BH7Aを使用します、
この12BH7Aはカソードフォロアーとし、十分な電流を流します。

 Mos-FETのゲートに入っているリレーはミュートの働きです、電源投入時Mos-FETは直ぐ立ち上がりますが、電圧増幅部の真空管は
ヒーターが温まるまで時間がかかります、そのままですと時間差によりポップノイズを発生します、これを回避するためにタイマー
を利用し、真空管が起動するまでゲートに入力がかからない様にミュートしておきます。

 フィードバックはPFB〜NFBと連続で可変出来ます、ブリッジ(BTL)接続は負荷がフロティングで中点がグランドですから、出力
トランス装備の真空管アンプより簡単に行えます、ただし可変のボリュームには出力電圧がかかりますのでひと工夫必要です。

 低域時定数のスタガリング、高域のポール設定、等はPFB〜NFB共に低帰還ですから神経質にならなくとも大丈夫です。


2013 9/18 続く

[ 戻る ]