MODEL Mr Bass Man 

KT66/EL34 Class [ A ] 30W  KT88PP Class [ AB ] 50W

2013 5/9 完成致しました

hed hed hed
hed

当初KT66/EL34 PP A級動作 出力30Wの試作に始まり
最終的にKT88 PP AB級動作 出力50Wに仕上がりました。

 基本的設計はEX-A10をベースに行いました、
ベースアンプを念頭に制作いたしましたが、フィードバック
オーバードライブ、ディストーション、等装備しておりますから
ギターアンプに使用しても、十分な性能が得られます。 


       KT66/EL34 Class [ A ] 30W            KT88 Class [ AB ] 50W

hed hed

》》》 ヘフナーのためのベースアンプ 《《《

hed

2013 2/3  ヘフナーはオークションで落札入手、、大変良い品(現行のドイツ製より気に入っている)なので、リハーサルに持って行くのが怖い、その話をギタリストの友人に言うと、「これ持って行け」と、 Tune を頂いた、ところがこのTuneはアクティブタイプで内蔵のヘッドアンプは 悪名高い オペアンプ を使用しております、オペアンプはエフェクターの様に波形形成には許せますが、そのまま増幅回路には使用したくはありません、音質は良く言えば今風ですが 無機的な音質 は免れません、その原因はオペアンプ内部の積分補正に原因があるのですが話が長くなるので止めます、しかし一応お礼に彼の気に入っているアンプを進呈。
新旧性格の異なる2本のベースが手に入った。

2013年、夏のイベントでベースを務める事となった。



ベース・アンプ 急遽制作開始

構想 2013 2/17
 出力はEL34/PPでA級に近いAB級とし40W前後を確保、スピーカーには高能率10〜12インチを2本パラレル駆動、クリーン・トーンを目標、レンジはギター・アンプより、低高1オクターブ広げる、それによってベースのみならず、キーボード、オルガン、をもカバー出来る物とする。

 ベース・アンプのレンジは低域を確保すれば良い様に思うが、実は高域のレンジも必要で、その表現力に大きな影響を与える。
 スタイルとしては、ヘッドとキャビネットに分け、スピーカーの振動をアンプが拾うのを極力避ける。

hed

ヘッドの規模はフェンダー、ベースマンの1/2程度

スピーカーは倍音がクリーンなジェンセン・アルニコ

性能、質、を落とさず極力小型軽量を実現予定。


フェンダーの 59 Bass Man は、クラプトンの EC Twinolux 原型は 57 Twin ( 5d8 ) と回路の骨格とゲイン配分が大変良く似ております、また電圧増幅動作では負荷に対する対処はよく気を使っております。
 したがって 59 Bass Man はベースアンプとして使用するよりもギターアンプとしての評価が高いアンプでもあります。

hed hed hed

 大きな相違点はパワーアンプ部で 59 Bass Man はリークミュラード型のAB級動作に対し 57 Twin はオートバランス式のA級に近い動作で、音質的には 57 Twin に優位性があるのは否めません。


hed

ベース・アンプ 設計思想


基本的な設計は、ギター・アンプで大変優秀な結果を出した EX-A10 をベースにして行う事にします。

 EX-A10はフェンダーの 57 Twin の良い所は総てフォローしております。

 このEX-A10は、Audio界では御法度のフィード・バックを用いた物で、真空管アンプでありながら電流出力(高内部抵抗)の形態を取っております。


Bass Amp 試作 EL34 or KT66 PP

2013 3/5         Bass Amp 試作機完成 EL34(28W) KT66(30W)

 EL34 KT66 は比較的似ている特性を持っております、EL34はペントード、KT66はビーム・テトロードであります、
とちらもプレート電圧450V〜500VのAB級動作で軽く50W前後の出力が得られます、動作はプレート電圧を抑え、電流を多めに設定したA級PPとし、出力を抑え質の向上に勤めます、セルフ・バイアスのA級PP動作では差し替えが可能となります。

hed hed
hed hed

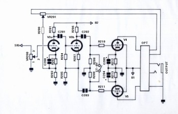
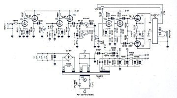
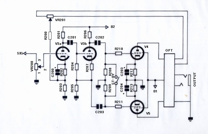
回路図 ( クリックにて拡大 )


回路説明

回路的にはEX-A10の骨格と大きく変わりません、出力管がEL34もしくはKT66となったため、それに合わせて規模が大きくなっております、このアンプはBass Ampとして制作いたしましたが、ギターアンプとして使用しても何ら問題ございません。

 トップゲインのボリュームに付いているダイオードD10,D11,はSW100を入れる事により、上下対称の歪波形を発生させます、その場合歪の深さの調整はVR100で行い、音量調整はマスターボリュームであるVR200にて行います。
 逆にクリーントーンの場合はマスターボリュームであるVR200を全開とし、音量調整はトップゲインのVR100で行います。
 したがって音質調整はクリーン→非対称ディストーション→対称ディストーションまで、広いエリアに渡ってカバーしております。
 ただし、本機の最大の魅力はクリーントーンであり、非対称ディストーションは真空管的な歪波形は軽いクランチでありますが、対称ディストーションはエフェクター的な定量的で平凡な波形です。

dis dis dis dis

左より
1:真空管によるオーバードライブ・ディストーション、軽くクランチで非対称歪波形。
2:更に深くオーバードライブ・ディストーション。
3:更に深くオーバードライブ・ディストーション、クリップ、カットオフ、上下歪むも非対称。
4:SW100/ON V2がクリップする前にダイオード(0.6V)によるオーバードライブ・ディストーション、上下対称の歪波形。 (エフェクター的な歪波形)

豊富なオーバードライブ・ディストーションのモードはベースアンプよりも、ギターアンプとして使用した方が効果絶大です。


諸特性

hed hed hed








  ←最大出力、30W時の波形

  A級増幅のためクロスオーバー歪は発生していない


 今回はOPT(出力トランス)のフィードバック出力を改善いたしましたので、(+)(−)それぞれに6.5dB以上の帰還量、全体で13dB以上のフィードバックが掛けられます、したがって音質の変化は極めて幅広い領域でのコントロールが可能となりました。
 このOPTはフィードバックの(−)領域では40KHz近辺では緩い盛り上がりが見られます、アンプの高域カットオフ周波数はOPTを遥かに超えた領域にセットしてあります、にもかかわらずこの程度の帰還で盛り上がるという事はAudio(Hi−Fi)のアンプとしては適さない特性ですが、本機の様に(+)帰還を使用するギターアンプには最適のOPTです。
 Phase(位相)も PH3575 で測定しましたが大変良好です。

 最大出力は30Wです、電圧を低く、アイドリング電流を多く流し、出力管のA級領域を広げました、約20W近辺までがA級動作でそれ以降はAB級となっております。
 歪率はフィードバック、(+)(−)で2.5倍程度の変化があります、(+)側では歪が多い様に思われがちですが、音質は大変好ましくゾクゾクする様な鋭敏なタッチの良さ故に、下手はより下手に、上手はより上手に、全く誤魔化しがききません。

hed




トーンコントロール特性

トーンコントロール素子のみの特性です、
最終的な特性はパワーアンプ他との総合特性となります。


低域、高域、はそれぞれ10dB強のブーストが可能です、高域は今回ブーストのみならずカットも設けました。

 第一の理由はヘフナーをBass-ONにするとネック側ピックアップを使用し、ハイカットのコンデンサー有効となります、ただしこのハイカットは固定化されております、このハイカットのパターンを自由に選定したいためです。

hed
 第二はウッドベース(コントラバス)のPAアンプへの応用です、ウッドベースのPAは胴と弦の間のコマに圧電型ピックアップを装備して行います、ピックアップの出力が速度型(周波数が上がって行くにしたがってoct/+6dBで上昇)です、この速度型特性をイコライズする場合に使用します、元来クリーントーンが優秀なアンプですからウッドベースにも使用可能です。
 高域減衰は、カーブ(C)/C106=0.0022μF、カーブ(D)/C106=0.0047μF、です。

 残留雑音は1mV前後、その中でもハム成分は全く含まれておりません、プリアンプ部を直流点火し、アースラインを考慮する事によりノイズゼロを達成出来ます、オシロスコープで観察しても熱状乱雑音が残るだけです。





2013 4/1
トーンコントロール素子を最終調整、内部配線にはシールド線は使用しておりません。

hed


 このアンプ、底力は相当なものです、スピーカーはジェンセン、P10R×2では持たないかも知れない?、
セレッションのビンテージ30、更に許容入力の大きいエミネンスの採用も考えに入れておかねばならないかも知れない。
p10r


 ジェンセンの10インチ(25cm)スピーカー、P10Rはタッチの良さと中高音の音色の素晴らしさにあります、ただ許容入力が25Wと少なめなのが欠点であります、理由はボイスコイル口径が小さいのが原因です、しかしボイスコイルが小さい故中高音が素晴らしいのです、長所と欠点が表裏一体となっております。

 したがってギターアンプには好都合ですが、ベースアンプにはやや役不足の感は否めません、ただベースアンプ専用の許容入力が数百Wのスピーカー(ボイスコイル経が大きい)は好みません、理由は中高音が汚いからです。


v30 v30

 許容入力と絶対音量は別にすると、音色自身は倍音の乗ったP10Rが好みではありますし、アコースティックのボディを持ったヘフナーのとの相性が良いのです。

 ジェンセンのP10Rはより口径の大きなP12R、更に磁石の強力なP12Nがありますが、音質自身はP10Rの方がバランスが取れております、これはギターアンプに使用しても同じ事が言えます。

 尚、59 Bass Man はアンプの出力50W、スピーカーはP10Rを4本使用されております。
ヘッドのケース、スピーカーキャビネットを木工の得意な友人に制作依頼をする。



2013 4/7

キャビ キャビ

キャビネットが出来てきました、VOX AC60BもしくはAC100みたいでしょう、

 屋外で大音量のテストです、
伸びのある深い低音、心地よいです。

スピーカーはP10R×2、これで十分の様です。



2012 4/12

live

ライブハウスにてドラムと共演、やはりスピーカーが弱い、ギターアンプとしては十分なポテンシャルですが、ベースアンプとなると低音の芯が腰砕けとなります。

 P10R(25W)は音色は素晴らしいのですが、ボイスコイル経が小さいためベースアンプとしては59 Bass Man の様に4本は必要なのかも知れません。

 やむなくセレッションのビンテージ30(60W)に変更です。

live

パワーアップ

スピーカーはセレッションのビンテージ30に入れ替えます、それに伴いアンプの方も出力をアップいたします、A級では30Wでしたが、プレート電圧を上げアイドリング電流を絞るとB級の領域が拡大されます、結果AB級となり出力50Wを確保いたします。

 ここで音質は別にして絶対音量の比較をしてみましょう、
ビンテージ30の能率は100dBあります、片やP10Rは95dBです、電力比は3dBアップすると2倍となります、したがって6dBアップでは4倍となる訳です、今回はスピーカーの能率アップは5dB、アンプの出力は30W→50W、したがってトータルで絶対音量は4倍を軽くオーバーした事となります。

 アンプに関しましてはB級領域が広がる事により、クロスオーバー歪の発生が懸念されます、また、ゼロ信号時と最大出力時の電流変化率が大きいため、電源の内部抵抗が高いと希望する出力は得られません、したがって整流は内部抵抗の低いシリコン整流がベターであり、整流管使用は電流変化率の少ないシングルアンプもしくはA級動作に適しております。

live live

AB級50Wでは若干のクロスオーバー歪が発生しておりますが、比較的良好な波形であります、現行のフェンダー、マーシャル等は明解なクロスオーバー歪を発生しております。

 なお、出力管はEL34専用のフィクスドバイアスとなり、KT66との差し替えは不可能です、バイアスが浅く電流を多く流す領域ではラフな設定で問題はありませんが、バイアスの深い領域では調整はシビアとなります、またKT66はスクリーングリッドの耐圧が400V と低く、スクリーングリッドの損失も小さいためです、6L6GCと6L6Gの関係と似ております。
2013 4/20




質と量の両立 大型管KT88の採用


kt88 kt88 kt88

大型管KT88はプレート損失、スクリーン損失にもEL34と比較して十分余裕があります、そこでKT88にアイドリング電流を多く流せばクロスオーバー歪を抑えつつ高出力が確保出来ます。

 予想は見事に的中、一本当り40mA〜50mAのアイドリング電流を流すとクロスオーバー歪を発生する事無く50Wの出力が確保できました、ただ、50W出力時電源の容量が一杯となります、このオペレーションでは電源部さえ容量をアップすれば更に大きな出力を得る事が可能です。
 KT88にとって出力50Wは十分余裕のある動作であり、大変贅沢な使い方であります。
2013 5/1


kt88

KT88 AB50W パワーアンプ部 歪率

KT88 AB級50Wの歪率特性です、
大変良好な特性です、30WまでがA級動作を行っております、30W〜50WがB級動作です。

 歪率は30W以降では歪みのモードが変化するため、若干うねっているのはそのためです。

 したがって通常レベル(30Wまで)は上質のA級動作であり、瞬間のピークには50WまでB級動作でカバーいたします。

 (通常の50W級アンプのそのほとんどがB級動作であります)
2013 5/9


キャビ

[ 戻る ]