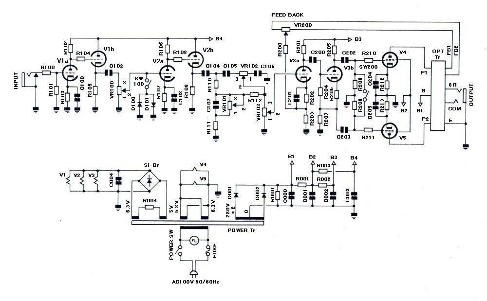
| L | ΌΜ | iΌ^θ |
| V1 | ^σΗ | 12AY7/6072 |
| V2 | ^σΗ | 12AX7 |
| V3 | ^σΗ | 12AU7 |
| V4 | ^σΗ | EL34/KT66 |
| V5 | ^σΗ | EL34/KT66 |
| POWER Tr | dΉgX | ISO MX-205 |
| OUTPUT Tr | oΝgX | ZP5K@IWi |
| D001 | _CI[h | 1kv 1A |
| D002 | _CI[h | 1kv 1A |
| Si-Br | _CI[hBr | 200V 5A |
| VR100 | {
[ | 100kΆ (A) |
| VR101 | {
[ | 250kΆ (B) |
| VR102 | {
[ | 1MΆ (A) |
| VR103 | {
[ | 1MΆ (A) |
| C004 | dπRfT | 22000ΚF 25V |
| C000 | dπRfT | 100ΚF 500V |
| C001 | dπRfT | 100ΚF 500V |
| C002 | dπRfT | 22ΚF 450V |
| C004 | dπRfT | 22ΚF 450V |
| C100 | dπRfT | 100ΚF 10V |
| C102 | tBRfT | 0.02ΚF 400V ASC |
| C103 | dπRfT | 100ΚF 10V |
| C104 | tBRfT | 0.02ΚF 400V ASC |
| C105 | }C[RfT | 300pF 400V |
| C106 | ICRfT | 0.002ΚF 400V |
| C107 | ICRfT | 0.02ΚF 400V |
| C200 | tBRfT | 0.01ΚF 400V ASC |
| C201 | dπRfT | 100ΚF 10V |
| C202 | ICRfT | 0.33ΚF 400V |
| C203 | ICRfT | 0.33ΚF 400V |
| C204 | dπRfT | 220ΚF 25V |
| C205 | dπRfT | 220ΚF 25V |
| L | ΌΜ | iΌ^θ |
| R000 | οR | 390Ά 3W |
| R001 | οR | 200Ά 5W |
| R002 | οR | 10kΆ 1/2W |
| R003 | οR | 10kΆ 1/2W |
| R100 | οR | 100kΆ@1/2W |
| R101 | οR | 1MΆ@1/2W |
| R102 | οR | 510kΆ@1/2W |
| R103 | οR | 5.6kΆ@1/2W |
| R104 | οR | 5.6kΆ@1/2W |
| R105 | οR | 100kΆ@2W |
| R106 | οR | 330kΆ@1/2W |
| R107 | οR | 4.7kΆ@1/2W |
| R108 | οR | 5.6kΆ@1/2W |
| R109 | οR | 100kΆ@2W |
| R110 | οR | 100kΆ@1/2W |
| R111 | οR | 10kΆ@1/2W |
| R112 | οR | 100kΆ@1/2W |
| D100 D101 | _CI[h | IS2076A |
| R200 | οR | 1.73kΆ@1W :1 |
| R201 | οR | 51kΆ@2W |
| R202 | οR | 1.5kΆ@1/2W |
| R203 | οR | 51kΆ@1/2W |
| R204 | οR | 1MΆ@1/2W |
| R205 | οR | 51kΆ@2W |
| R206 | οR | 1kΆ 1/2W |
| R207 | οR | 51kΆ@2W |
| R208 | οR | 330kΆ 1/2W |
| R209 | οR | 330kΆ 1/2W |
| R210 | οR | 1kΆ 1/2W |
| R211 | οR | 1kΆ 1/2W |
| R212 | οR | 340Ά 10W :2 |
| R213 | οR | 340Ά 10W :2 |
FPA2.2kΆ 1/2W + 8.2kΆ 1/2W iΐρj@@@FQA680Ά 5W (ΐρj
[@ίι@]